服务热线
Solutions
所在位置: 首页 > 解决方案 > 家用电子 >
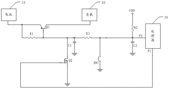
开关电源是利用现代电力电子技术,控制开关管导通和关断的时间比率,维持稳定输出电压的一种电源,开关电源一般由脉冲宽度调制(PWM)控制I...
LED照明技术发展迅猛有效的扩大了下游的应用广度,但面对上、中游产能过剩,下游应用受限的困境,照明行业只有通过设计才能有效地推动LED的...
形成电磁干扰的条件有三个:向外发送电磁干扰的源(噪声源)、传递电磁干扰的途径(噪声耦合和辐射)、承受电磁干扰的客体(受扰设备)。因...